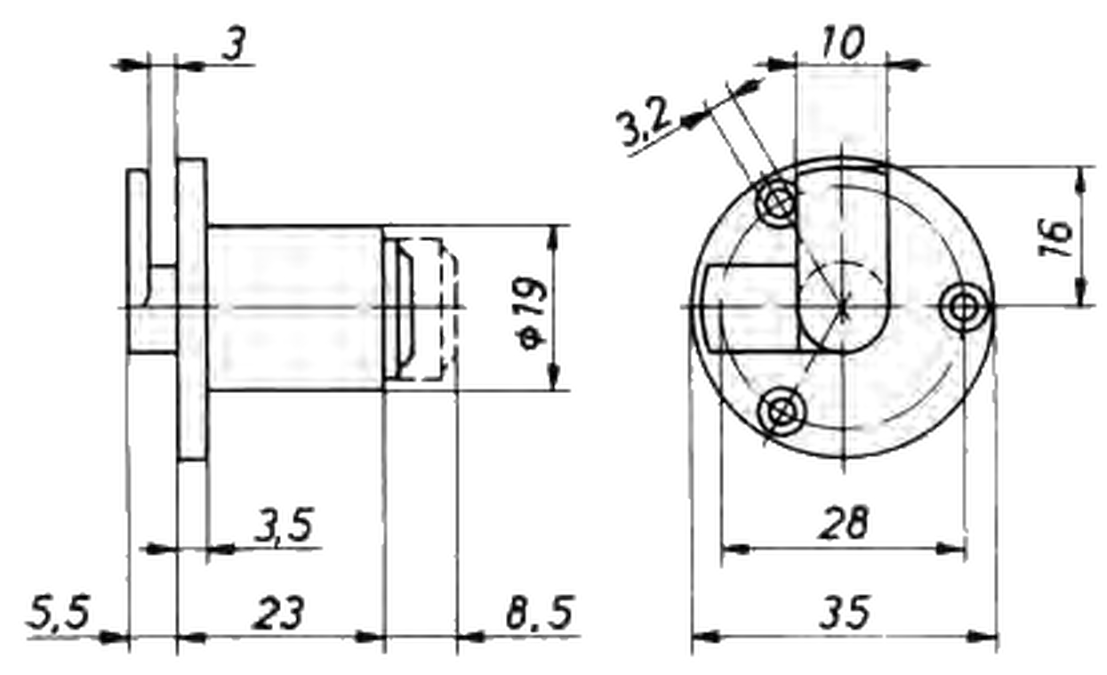
MLM Klappenschloss 0394
Art.-Nr.: 14.0382.PVO.2005S
Kessler Nummer: 0394
MLM Klappenschloss 0394
KESSLER Nr.: 0394
| MARKE: | MLM LEHMANN |
|---|---|
| Riegel: | 9 mm Hub , Druck-Drehriegel |
| ARTIKELGRUPPE: | Klappenschloss |
| SYSTEM: | MLM Lehmann - Prestige 2 (P2) Ø 18 mm |
| SCHLOSS TYP: | MLM Lehmann Typ 382 |
| SCHLIESSUNG: | (VS) verschiedenschließend |
| SCHLIESSKREIS: | [SK: L-80] MLM Lehmann / Schließungen 18001 bis 18500 / (GL) 18010 |
| Durchmesser: | Ø21mm |
| FUNKTION: | 2 Abzüge , Schließbewegung 90° |
| OBERFLÄCHE: | [N] vernickelt |



